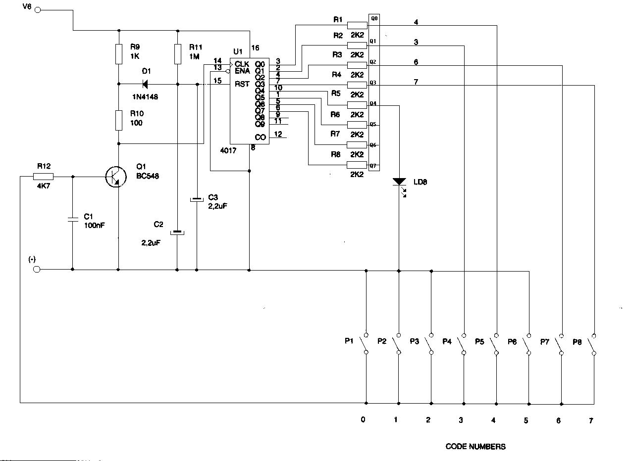
Voici le schéma de la serrure à code d'accés :

Voici les composants necessaire à sa fabrication :
| R1 à R8 | 2K2 |
| R9 | 1K |
| R10 | 100ohms |
| R11 | 1M |
| R12 | 4K7 |
| C1 | 100nF |
| C2 | 2.2uF |
| C3 | 2.2uF |
| D1 | 1N4148 |
| Q1 | Transistor BC548 |
| U1 | Circuit intégré 4017 |
| LED8 | Led rouge ou verte |
| P1 à P8 | Bouton-poussoir |
Comment programmer et faire fonctionner l'appareil :
Le code de départ sera 4367. Voici un code qui vous permettra de comprendre comment maître votre code personnel : 765433 les connexion à réaliser pour ce code sont :
-P8 > Q0
-P7 > Q1
-P6 > Q2
-P5 > Q3
-P4 > Q4
-P4 > Q5
Les entrés ou il faut connectés les boutons sont encadré